Alcides Tessa SRL / Fábrica de Componentes Eléctricos.

Boton pulsador Linea 1642

Unipolar

Descargar ficha técnica

Características

  • Carcaza y Tecla
    de Nylon 66
  • Terminales y partes conductoras
    de cobre electrolítico
  • Fijación
    a presión
  • Capacidad
    10A(2)-250V-carga resistiva
  • Tipo de terminales
    macho de 4.8 ,6.35 mm y de
    soldar
  • Numero de polos
    1
  • Vida eléctrica
    10.000 ciclos
  • Temperatura ambiente
    100°C
  • Grado de contaminación
    1

  • Grado de protección
    IP30
  • Colores
    Caja:Negra
    Boton: Blanco
  • Funciones eléctricas
    Pulsador

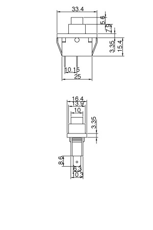
Desarrollo Técnico

*Cotas en milímetros

Contacto

Estamos para resolver tus inquietudes. No dudes en contactarnos.

Mail

  • info@alcidestessa.com.ar
  • Pringles 3711-Caseros (1678)
  • Pcia. Buenos Aires, Argentina
  • Teléfonos

  • (011) 4716-0909
  • (011) 4750-1822
  • (011) 4750-7142